相關控制器
SDJ電動車控制器廣泛套用於電動三輪車,電動腳踏車,電動腳踏車等電動車輛,具有高效低耗的特點。
控制器定義
控制器(ControlUnit),是整個計算機系統的控制中心,它指揮計算機各部分協調地工作,保證計算機按照預先規定的目標和步驟有條不紊地進行操作及處理。控制器從存儲器中逐條取出指令,分析每條指令規定的是什麼操作以及所需數據的存放位置等,然後根據分析的結果向計算機其它部件發出控制信號,統一指揮整個計算機完成指令所規定的操作。計算機自動工作的過程,實際上是自動執行程式的過程,而程式中的每條指令都是由控制器來分析執行的,它是計算機實現“程式控制”的主要設備。
通常把控制器與運算器合稱為中央處理器(CentralProcessingUnit,CPU)。工業生產中總是採用最先進的超大規模積體電路技術來製造中央處理器,即CPU晶片。它是計算機的核心設備。它的性能,主要是工作速度和計算精度,對機器的整體性能有全面的影響。
控制器主要分類
控制器分組合邏輯控制器和微程式控制器,兩種控制器各有長處和短處。組合邏輯控制器設計麻煩,結構複雜,一旦設計完成,就不能再修改或擴充,但它的速度快。微程式控制器設計方便,結構簡單,修改或擴充都方便,修改一條機器指令的功能,只需重編所對應的微程式;要增加一條機器指令,只需在控制存儲器中增加一段微程式,但是,它是通過執行一段微程。具體對比如下:組合邏輯控制器又稱硬布線控制器,由邏輯電路構成,完全靠硬體來實現指令的功能 。
組成
控制器模型
控制器第一種辦法是在指令中包含了下一條指令的地址。在指令執行過程中將這個地址送人指令地址暫存器即可達到程式持續運行的目的。這個方法適用於早期以磁鼓、延遲線等串列裝置作為主存儲器的計算機。根據本條指令的執行時間恰當地決定下一條指令的地址就可以縮短讀取下一條指令的等待時間,從而收到提高程式運行速度的效果。
第二種辦法是順序執行指令。一個程式由若干個程式段組成,每個程式段的指令可以設計成順序地存放在存儲器之中,所以只要指令地址暫存器兼有計數功能,在執行指令的過程中進行計數,自動加一個增量,就可以形成下一條指令的地址,從而達到順序執行指令的目的。這個辦法適用於以隨機存儲器作為主存儲器的計算機。當程式的運行需要從一個程式段轉向另一個程式段時,可以利用轉移指令來實現。轉移指令中包含了即將轉去的程式段入口指令的地址。執行轉移指令時將這個地址送人程式計數器(此時只作為指令地址暫存器,不計數)作為下一條指令的地址,從而達到轉移程式段的目的。子程式的調用、中斷和陷阱的處理等都用類似的方法。在隨機存取存儲器普及以後,
第二種辦法的整體運行效果大大地優於第一種辦法,因而順序執行指令已經成為主流計算機普遍採用的辦法,程式計數器就成為中央處理器不可或缺的一個控制部件
控制器CPU內的每個功能部件都完成一定的特定功能。信息在各部件之間傳送及數據的流動控制部件的實現。通常把許多數字部件之間傳送信息的通路稱為“數據通路”。信息從什麼地方開始,中間經過哪個暫存器或多路開關,最後傳到哪個暫存器,都要加以控制。在各暫存器之間建立數據通路的任務,是由稱為“操作控制器”的部件來完成的。
操作控制器的功能就是根據指令操作碼和時序信號,產生各種操作控制信號,以便正確地建立數據通路,從而完成取指令和執行指令的控制。
工作原理
控制器一台數字計算機基本上可以劃分為兩大部分---控制部件和執行部件。控制器就是控制部件,而運算器、存儲器、外圍設備相對控制器來說就是執行部件。控制部件與執行部件的一種聯繫就是通過控制線。控制部件通過控制線向執行部件發出各種控制命令,通常這種控制命令叫做微命令,而執行部件接受微命令後所執行的操作就叫做微操作。控制部件與執行部件之間的另一種聯繫就是反饋信息。執行部件通過反饋線向控制部件反映操作情況,以便使得控制部件根據執行部件的狀態來下達新的微命令,這也叫做“狀態測試”。微操作在執行部件中是組基本的操作。由於數據通路的結構關係,微操作可分為相容性和相斥性兩種。
在機器的一個CPU周期中,一組實現一定操作功能的微命令的組合,構成一條微指令。一般的微指令格式由操作控制和順序控制兩部分構成。操作控制部分用來發出管理和指揮全機工作的控制信號。其順序控制部分用來決定產生下一個微指令的地址。事實上一條機器指令的功能是由許多條微指令組成的序列來實現的。這個微指令序列通常叫做微程式。既然微程式是有微指令組成的,那么當執行當前的一條微指令的時候。必須指出後繼微指令的地址,以便當前一條微指令執行完畢以後,取下一條微指令執行。
基本功能
數據緩衝:由於I/O設備的速率較低而CPU和記憶體的速率卻很高,故在控制器中必須設定一緩衝器。在輸出時,用此緩衝器暫存由主機高速傳來的數據,然後才以I/O設備所具有的速率將緩衝器中的數據傳送給I/O設備;在輸入時,緩衝器則用於暫存從I/O設備送來的數據,待接收到一批數據後,再將緩衝器中的數據高速地傳送給主機。
差錯控制:設備控制器還兼管對由I/O設備傳送來的數據進行差錯檢測。若發現傳送中出現了錯誤,通常是將差錯檢測碼置位,並向CPU報告,於是CPU將該次傳送來的數據作廢,並重新進行一次傳送。這樣便可保證數據輸入的正確性。
數據交換:這是指實現CPU與控制器之間、控制器與設備之間的數據交換。對於前者,是通過數據匯流排,由CPU並行地把數據寫入控制器,或從控制器中並行地讀出數據;對於後者,是設備將數據輸入到控制器,或從控制器傳送給設備。為此,在控制器中須設定數據暫存器。
狀態說明:標識和報告設備的狀態控制器應記下設備的狀態供CPU了解。例如,僅當該設備處於傳送就緒狀態時,CPU才能啟動控制器從設備中讀出數據。為此,在控制器中應設定一狀態暫存器,用其中的每一位來反映設備的某一種狀態。當CPU將該暫存器的內容讀入後,便可了解該設備的狀態。
接收和識別命令:CPU可以向控制器傳送多種不同的命令,設備控制器應能接收並識別這些命令。為此,在控制器中應具有相應的控制暫存器,用來存放接收的命令和參數,並對所接收的命令進行解碼。例如,磁碟控制器可以接收CPU發來的Read、Write、Format等15條不同的命令,而且有些命令還帶有參數;相應地,在磁碟控制器中有多個暫存器和命令解碼器等。
地址識別:就像記憶體中的每一個單元都有一個地址一樣,系統中的每一個設備也都有一個地址,而設備控制器又必須能夠識別它所控制的每個設備的地址。此外,為使CPU能向(或從)暫存器中寫入(或讀出)數據,這些暫存器都應具有唯一的地址。
分類
電動車控制器從結構上分兩種,我們把它稱為分離式和整體式。
1、分離式:所謂分離,是指控制器主體和顯示部分分離。後者安裝在車把上,控制器主體則隱藏在車體包廂或電動箱內,不露在外面。這種方式使控制器與電源、電機間連線距離縮短,車體外觀顯得簡潔。
2、一體式:控制部分與顯示部分合為一體,裝在一個精緻的專用塑膠盒子裡。盒子安裝在車把的正中,盒子的面板上開有數量不等的小孔,孔徑4-5mm,外敷透明防水膜。孔內相應位置設有發光二極體以指示車速、電源和電池剩餘電量。
技術規範
組合邏輯控制器和微程式控制器,兩種控制器各有長處和短處。組合邏輯控制器設計麻煩,結構複雜,一旦設計完成,就不能再修改或擴充,但它的速度快。微程式控制器設計方便,結構簡單,修改或擴充都方便,修改一條機器指令的功能,只需重編所對應的微程式;要增加一條機器指令,只需在控制存儲器中增加一段微程式,但是,它是通過執行一段微程。具體對比如下:組合邏輯
組合邏輯控制器又稱硬布線控制器,由邏輯電路構成,完全靠硬體來實現指令的功能。
組合邏輯控制器的設計步驟
①設計機器的指令系統:規定指令的種類、指令的條數以及每一條指令的格式和功能。
②初步的總體設計:如暫存器設定、匯流排安排、運算器設計、部件間的連線關係等。
③繪製指令流程圖:標出每一條指令在什麼時間、什麼部件進行何種操作。
④編排操作時間表:即根據指令流程圖分解各操作為微操作,按時間段列出機器應進行的微操作。
⑤列出微操作信號表達式,化簡,電路實現。
控制器(1)指令暫存器用來存放正在執行的指令。指令分成兩部分:操作碼和地址碼。操作碼用來指示指令的操作性質,如加法、減法等;地址碼給出本條指令的運算元地址或形成運算元地址的有關信息(這時通過地址形成電路來形成運算元地址)。有一種指令稱為轉移指令,它用來改變指令的正常執行順序,這種指令的地址碼部分給出的是要轉去執行的指令的地址。
(2)操作碼解碼器用:來對指令的操作碼進行解碼,產生相應的控制電平,完成分析指令的功能。
(3)時序電路:用來產生時間標誌信號。在微型計算機中,時間標誌信號一般為三級:指令周期、匯流排周期和時鐘周期。微操作命令產生電路產生完成指令規定操作的各種微操作命令。這些命令產生的主要依據是時間標誌和指令的操作性質。該電路實際是各微操作控制信號表達式(如上面的A→L表達式)的電路實現,它是組合邏輯控制器中最為複雜的部分。
(4)指令計數器:用來形成下一條要執行的指令的地址。通常,指令是順序執行的,而指令在存儲器中是順序存放的。所以,一般情況下下一條要執行的指令的地址可通過將現行地址加1形成,微操作命令“ 1”就用於這個目的。如果執行的是轉移指令,則下一條要執行的指令的地址是要轉移到的地址。該地址就在本轉移指令的地址碼欄位,因此將其直接送往指令計數器。
微程式控制器的提出是因為組合邏輯設計存在不便於設計、不靈活、不易修改和擴充等缺點。
微程式
微程式控制(簡稱微碼控制)的基本思路是:用微指令產生微操作命令,用若干條微指令組成一段微程式實現一條機器指令的功能(為了加以區別,將前面所講的指令稱為機器指令)。設機器指令M執行時需要三個階段,每個階段需要發出如下命令:階段一傳送K1、K8命令,階段二傳送K0、K2、K3、K4命令,階段三傳送K9命令。當將第一條微指令送到微指令暫存器時,微指令暫存器的K1和K8為1,即發出K1和K8命令,該微指令指出下一條微指令地址為00101,從中取出第二條微指令,送到微指令暫存器時將發出K0、K2、K3、K4命令,接下來是取第三條微指令,發K9命令。
控制器(1)控制存儲器(contmlMemory)用來存放各機器指令對應的微程式。解碼器用來形成機器指令對應的微程式的入口地址。當將一條機器指令對應的微程式的各條微指令逐條取出,並送到微指令暫存器時,其微操作命令也就按事先的設計發出,因而也就完成了一條機器指令的功能。對每一條機器指令都是如此。
(2)微指令的寬度直接決定了微程式控制器的寬度。為了簡化控制存儲器,可採取一些措施來縮短微指令的寬度。如採用欄位解碼法一級分段解碼。顯然,微指令的控制欄位將大大縮短。,一些要同時產生的微操作命令不能安排在同一個欄位中。為了進一步縮短控制欄位,還可以將欄位解碼設計成兩級或多級。
CPU
控制器是指揮計算機的各個部件按照指令的功能要求協調工作的部件,是計算機的神經中樞和指揮中心,由指令暫存器IR(InstructionRegister)、程式計數器PC(ProgramCounter)和操作控制器0C(OperationController)三個部件組成,對協調整個電腦有序工作極為重要。指令暫存器:用以保存當前執行或即將執行的指令的一種暫存器。指令內包含有確定操作類型的操作碼和指出運算元來源或去向的地址。指令長度隨不同計算機而異,指令暫存器的長度也隨之而異。計算機的所有操作都是通過分析存放在指令暫存器中的指令後再執行的。指令暫存器的輸人端接收來自存儲器的指令,指令暫存器的輸出端分為兩部分。操作碼部分送到解碼電路進行分析,指出本指令該執行何種類型的操作;地址部分送到地址加法器生成有效地址後再送到存儲器,作為取數或存數的地址。
存儲器可以指主存、高速快取或暫存器棧等用來保存當前正在執行的一條指令。當執行一條指令時,先把它從記憶體取到數據暫存器(DR)中,然後再傳送至IR。指令劃分為操作碼和地址碼欄位,由二進制數字組成。為了執行任何給定的指令,必須對操作碼進行測試,以便識別所要求的操作。指令解碼器就是做這項工作的。指令暫存器中操作碼欄位的輸出就是指令解碼器的輸入。操作碼一經解碼後,即可向操作控制器發出具體操作的特定信號。
程式計數器:指明程式中下一次要執行的指令地址的一種計數器,又稱指令計數器。它兼有指令地址暫存器和計數器的功能。當一條指令執行完畢的時候,程式計數器作為指令地址暫存器,其內容必須已經改變成下一條指令的地址,從而使程式得以持續運行。
為此可採取以下兩種辦法:
第一種辦法是在指令中包含了下一條指令的地址。在指令執行過程中將這個地址送人指令地址暫存器即可達到程式持續運行的目的。這個方法適用於早期以磁鼓、延遲線等串列裝置作為主存儲器的計算機。根據本條指令的執行時間恰當地決定下一條指令的地址就可以縮短讀取下一條指令的等待時間,從而收到提高程式運行速度的效果。
第二種辦法是順序執行指令。一個程式由若干個程式段組成,每個程式段的指令可以設計成順序地存放在存儲器之中,所以只要指令地址暫存器兼有計數功能,在執行指令的過程中進行計數,自動加一個增量,就可以形成下一條指令的地址,從而達到順序執行指令的目的。這個辦法適用於以隨機存儲器作為主存儲器的計算機。當程式的運行需要從一個程式段轉向另一個程式段時,可以利用轉移指令來實現。轉移指令中包含了即將轉去的程式段入口指令的地址。執行轉移指令時將這個地址送人程式計數器(此時只作為指令地址暫存器,不計數)作為下一條指令的地址,從而達到轉移程式段的目的。子程式的調用、中斷和陷阱的處理等都用類似的方法。在隨機存取存儲器普及以後,第二種辦法的整體運行效果大大地優於第一種辦法,因而順序執行指令已經成為主流計算機普遍採用的辦法,程式計數器就成為中央處理器不可或缺的一個控制部件。
CPU內的每個功能部件都完成一定的特定功能。信息在各部件之間傳送及數據的流動控制部件的實現。通常把許多數字部件之間傳送信息的通路稱為“數據通路”。信息從什麼地方開始,中間經過哪個暫存器或多路開關,最後傳到哪個暫存器,都要加以控制。在各暫存器之間建立數據通路的任務,是由稱為“操作控制器”的部件來完成的。
操作控制器的功能就是根據指令操作碼和時序信號,產生各種操作控制信號,以便正確地建立數據通路,從而完成取指令和執行指令的控制。
有兩種由於設計方法不同因而結構也不同的控制器。微操作是指不可再分解的操作,進行微操作總是需要相應的控制信號(稱為微操作控制信號或微操作命令)。一台數字計算機基本上可以劃分為兩大部分---控制部件和執行部件。控制器就是控制部件,而運算器、存儲器、外圍設備相對控制器來說就是執行部件。控制部件與執行部件的一種聯繫就是通過控制線。控制部件通過控制線向執行部件發出各種控制命令,通常這種控制命令叫做微命令,而執行部件接受微命令後所執行的操作就叫做微操作。控制部件與執行部件之間的另一種聯繫就是反饋信息。執行部件通過反饋線向控制部件反映操作情況,以便使得控制部件根據執行部件的狀態來下達新的微命令,這也叫做“狀態測試”。微操作在執行部件中是組基本的操作。由於數據通路的結構關係,微操作可分為
相容性和相斥性兩種。在機器的一個CPU周期中,一組實現一定操作功能的微命令的組合,構成一條微指令。一般的微指令格式由操作控制和順序控制兩部分構成。操作控制部分用來發出管理和指揮全機工作的控制信號。其順序控制部分用來決定產生下一個微指令的地址。事實上一條機器指令的功能是由許多條微指令組成的序列來實現的。這個微指令序列通常叫做微程式。既然微程式是有微指令組成的,那么當執行當前的一條微指令的時候。必須指出後繼微指令的地址,以便當前一條微指令執行完畢以後,取下一條微指令執行。
LED
LED控制器(LEDcontroller)就是通過晶片處理控制LED燈電路中的各個位置的開關。低壓型LED產品控制器:
低壓型LED產品一般設計電壓12V-36V,每個迴路LED數量3-6個串聯,用電阻降壓限流,每個迴路電流20mA以下。一個LED產品由多個迴路的LED組成,優點是低壓,結構簡單,容易設計;缺點是:產品規模大時電流很大,需要配置低壓開關電源。由於產品的缺點所限,低壓不可能遠距離輸電,都是局限於體積不大的產品上,如招牌文字、小圖案等。根據這個特點,控制器設計規格:12V的選用75A/30VMOS功率管控制,輸出電流8A/路;24-36V選用60A/50VMOS功率管控制,輸出電流5A/路。用戶可以根據以上規格選定控制器的路數,跳變的可以選購NE20低壓系列、漸變的選購NE10低壓系列控制器即可。注意LED的必須是共陽(+)極連線法,控制器控制陰(-)極,控制器不包括低壓電源
高壓型LED產品控制器:
高壓型LED產品設計電壓是交流/直流220V電壓,每個迴路LED數量36-48個串聯,每個迴路電流20mA以下,限流方式有兩種,一種是電阻限流,這種方式電阻功耗較大,建議使用每4個LED串接一個1/4W金屬模電阻,均勻分布散熱,這種接法是最穩定可靠;另一種是電阻電容串聯限流,這種接法大部分電壓降在電容上,電阻功耗小,只能用在穩定的長亮狀態,如果閃動電容儲能,反而電壓加倍,LED容易損壞。凡是使用控制器的LED必須使用電阻限流方式,LED一般每個迴路一米,功率5W,三色功率每米15W。常用漸變控制器NE112K控制直流1200W,NE103D交流負載4500W直流負載1500W,如果燈管閃動單元多就使用NE112K,如果只需要整體閃動就使用NE103D。如果使用漸變方式,要注意負載匹配,霓虹燈和LED的發光分布特性不一樣,同一迴路不能混接不同類型的負載。
低壓串列控制器:
低壓型LED產品串列控制器的特點是控制路數多,利用串列信號傳輸達到控制的目的,一般512單元的控制只需要4條控制連線,串列LED控制器需要在LED的光源板配有暫存器,控制器可選用型號NE040S控制器,該控制器的最大容量達到4096KBit,如果負載512單元的LED可以最大實現8192楨畫面。
還有就是安全行業所使用的控制器,控制探測器在各工作區間內監測氣體的一種設備。
門禁
門禁控制器就是門禁系統的核心,對出入口通道進行管制的系統大腦,它是在傳統的門鎖基礎上發展而來的。門控制器是讀卡和控制合二為一的門禁控制產品,有獨立型的也有聯網型的。簡單而言,門禁控制器就是集門禁控制板、讀卡器於一體的機器,高檔點的還包括鍵盤跟顯示屏,只需要接上電源就可以當完整的門禁系統使用了。門控制器的分類:
1、按照門控制器和管理電腦的通訊方式分為:RS485聯網型門控制器、TCP/IP網路型門控制器、不聯網門控制器。
1)不聯網門控制器,就是一個機子管理一個門,不能用電腦軟體進行控制,也不能看到記錄,直接通過控制器進行控制。特點是價格便宜,安裝維護簡單,不能查看記錄,不適合人數量多於50或者人員經常流動(指經常有人入職和離職)的地方,也不適合門數量多於5的工程。
2)485聯網門控制器,就是可以和電腦進行通訊的門禁類型,直接使用軟體進行管理,包括卡和事件控制。所以有管理方便、控制集中、可以查看記錄、對記錄進行分析處理以用於其它目的。特點是價格比較高、安裝維護難道加大,但培訓簡單,可以進行考勤等增值服務。適合人多、流動性大、門多的工程。
3)TCP/IP網路門控制器,也叫乙太網聯網門禁,也是可以聯網的門禁系統,但是通過網路線把電腦和控制器進行聯網。除具有485門禁聯網的全部優點以外,還具有速度更快,安裝更簡單,聯網數量更大,可以跨地域或者跨城聯網。但存在設備價格高,需要有電腦網路知識。適合安裝在大項目、人數量多、對速度有要求、跨地域的工程中。
2、按照每台控制器控制的門的數量可以分為:單門控制器、雙門控制器、四門控制器及多門控制器。
3、控制器根據每個門可接讀卡器的數量分為:單向控制器、雙向控制器。
註:如果一個門,進門刷卡,出門按按鈕,控制器對於每個門只能接一個讀卡器,叫單向控制器。
如果一個門,進門刷卡,出門也刷卡(也可以接出門按鈕),每個控制器對於每個門可以接兩個讀卡器,一個是進門讀卡器,一個是出門讀卡器,叫雙向控制器。
電動汽車
電動汽車控制器是用來控制電動車電機的啟動、運行、進退、速度、停止以及電動車的其它電子器件的核心控制器件,它就象是電動車的大腦,是電動車上重要的部件。電動車主要包括電動腳踏車、電動二輪機車、電動三輪車、電動三輪機車、電動四輪車、電瓶車等,電動車控制器也因為不同的車型而有不同的性能和特點。超靜音設計技術:獨特的電流控制算法,能適用於任何一款無刷電動車電機,並且具有相當的控制效果,提高了電動車控制器的普遍適應性,使電動車電機和控制器不再需要匹配。
恆流控制技術:電動車控制器堵轉電流和動態運行電流完全一致,保證了電池的壽命,並且提高了電動車電機的啟動轉矩。
自動識別電機模式系統:自動識別電動車電機的換相角度、霍爾相位和電機輸出相位,只要控制器的電源線、轉把線和剎車線不接錯,就能自動識別電機的輸入及輸出模式,可以省去無刷電動車電機接線的麻煩,大大降低了電動車控制器的使用要求。
隨動abs系統:具有反充電/汽車EABS剎車功能,引入了汽車級的EABS防抱死技術,達到了EABS剎車靜音、柔和的效果,不管在任何車速下保證剎車的舒適性和穩定性,不會出現原來的abs在低速情況下剎車剎不住的現象,完全不損傷電機,減少機械制動力和機械剎車的壓力,降低剎車噪音,大大增加了整車制動的安全性;並且剎車、減速或下坡滑行時將EABS產生的能量反饋給電池,起到反充電的效果,從而對電池進行維護,延長電池壽命,增加續行里程,用戶可根據自己的騎行習慣自行調整EABS剎車深度。
電機鎖系統:在警戒狀態下,報警時控制器將電機自動鎖死,控制器幾乎沒有電力消耗,對電機沒有特殊要求,在電池欠壓或其他異常情況下對電動車正常推行無任何影響。
自檢功能:分動態自檢和靜態自檢,控制器只要在上電狀態,就會自動檢測與之相關的接口狀態,如轉把,剎把或其它外部開關等等,一旦出現故障,控制器自動實施保護,充分保證騎行的安全,當故障排除後控制器的保護狀態會自動恢復。
反充電功能:剎車、減速或下坡滑行時將EABS產生的能量反饋給電池,起到反充電的效果,從而對電池進行維護,延長電池壽命,增加續行里程。
堵轉保護功能:自動判斷電機在過流時是處於完全堵轉狀態還是在運行狀態或電機短路狀態,如果過流時是處於運行狀態,控制器將限流值設定在固定值,以保持整車的驅動能力;如電機處於純堵轉狀態,則控制器2秒後將限流值控制在10A以下,起到保護電機和電池,節省電能;如電機處於短路狀態,控制器則使輸出電流控制在2A以下,以確保控制器及電池的安全。
動靜態缺相保護:指在電機運行狀態時,電動車電機任意一相發生斷相故障時,控制器實行保護,避免造成電機燒毀,同時保護電動車電池、延長電池壽命。
功率管動態保護功能:控制器在動態運行時,實時監測功率管的工作情況,一旦出現功率管損壞的情況,控制器馬上實施保護,以防止由於連鎖反應損壞其他的功率管後,出現推車比較費力的現象。
防飛車功能:解決了無刷電動車控制器由於轉把或線路故障引起的飛車現象,提高了系統的安全性。
1+1助力功能:用戶可自行調整採用自向助力或反向助力,實現了在騎行中輔以動力,讓騎行者感覺更輕鬆。
巡航功能:自動/手動巡航功能一體化,用戶可根據需要自行選擇,8秒進入巡航,穩定行駛速度,無須手柄控制。
模式切換功能:用戶可切換電動模式或助力模式。
防盜報警功能:超靜音設計,引入汽車級的遙控防盜理念,防盜的穩定性更高,在報警狀態下可鎖死電機,報警喇叭音效高達125dB以上,具有極強的威懾力。並具有自學習功能,遙控距離長達150米不會有誤碼產生。
倒車功能:控制器增加了倒車功能,當用戶在正常騎行時,倒車功能失效;當用戶停車時,按下倒車功能鍵,可進行輔助倒車,並且倒車速度最高不超過10km/h。
遙控功能:採用先進的遙控技術,長達256的加密算法,靈敏度多級可調,加密性能更好,並且絕無重碼現象發生,極大地提高了系統的穩定性,並具有自學習功能,遙控距離長達150米不會有誤碼產生。
高速控制:採用最新的為馬達控制設計專用的單片機,加入全新的BLDC控制算法,適用於低於6000rpm高速、中速或低速電機控制。
電機相位:60度120度電機自動兼容,不管是60度電機還是120度電機,都可以兼容,不需要修改任何設定。
維修方法:
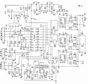
1、當電動車有刷控制器沒有輸出時
1)將萬用表設定在+20發(DC)檔位,先測量閘把輸出信號的高、低電位。
2)如捏閘把時,閘把信號有超過4V的電位變化,則可排除閘把故障。
3)然後按照有刷控制器常用世道上腳功能表,與測量出的主控世道民邏輯晶片的電壓值進行電路分析,並檢查各晶片外圍器件(電阻、電容、二極體)的數值是否和元件表面的標識相一致。
4)最後檢查外圍器件或是積體電路出現故障,可以通過更換同型號的器件來排除故障。
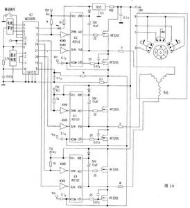
2、當電動車無刷控制器完全沒有輸出時
1)參照無刷電機控制器主相位檢查測量圖,用萬用表直流電壓+50V檔,檢測6路MOS管柵極電壓是否與轉把的轉動角度呈對應關係。
2)如沒有對,表示控制器里的PWM電路或MOS管驅動電路有故障。
3)參照無刷控制器主相位檢查圖,測量晶片的輸入輸出引腳的電壓是否與轉把轉動角度有對應關係,可以判斷哪些晶片有故障,更換同型號晶片即可排除故障。
3、當電動車有刷控制器控制部件的電源不正常時
1)電動車控制器內部電源一般採用三端穩壓積體電路,一般用7805、7806、7812、7815三端穩壓積體電路,它們的輸出電壓分別是5V、6V、12V、15V。
2)將萬用表設定在直流電壓+20V(DC)檔位,將萬用表黑表筆與紅表筆分別靠在轉把的黑線和紅線上,觀察萬用表讀數是否與標稱電壓相符,它們的上下電壓差不應超過0.2V。
3)否則說明控制器內部電源出現故障了,一般有刷控制器可以通過更換三端穩壓集成電路排除故障。
4、當電動車無刷控制器缺相時
電動車無刷控制器電源與閘把的故障可以參考有刷控制器的故障排除方法先予排除,對無刷控制器而言,還有其特有故障現象,比如缺相。電動車無刷控制器缺相現象可以分為主相位缺相和霍耳缺相兩種情況。
1)主相位缺相的檢測方法可以參照電動車有刷控制器飛車故障排除法,檢測MOS管是否擊穿,無刷控制器MOS管擊穿一般是某一個相位的上下兩個一對MOS管同時擊穿,更換時確保同時更換。檢查測量點。
2)電動車無刷控制器的霍耳缺相表現為控制器不能識別電機霍耳信號。
母聯
母聯控制器主要用於自動控制切換帶母線聯絡斷路的兩路電源的供電系統。控制模式有母聯備自投,進線備自投兩種。組成母聯自動轉換開關的有:母聯控制器、三相交流過欠壓斷相保護器、空氣斷路器。
適合多型號斷路器,有電動操作機構就能與控制器連線。
自動轉換開關
自動轉換開關控制器是一種具有可程式,自動化測量,LCD顯示,數字通訊等為一體的智慧型雙電源切換系統。在與低壓空氣斷路器配套後,特別適合於兩路低壓進線側的自動轉換和保護。自動轉換開關控制器的執行部件是框架式空氣斷路器,兩台斷路器不用加裝適配器,控制器直接對供應電源狀態進行監測,自動控制完成常用電源與備用電源的切換。
1、控制器為兩路低壓進線提供自動轉換控制和保護;
2、適合多型號的框架斷路器;
3、控制器的電氣聯鎖,斷路器的機械聯鎖,確保二台斷路器不能同時合閘;
4、具有手動,自動轉換功能;
5、控制器與斷路器直接二次線連線,中間無需適配器;
6、在控制器或監控中心漢顯兩路電源的電量參數,並能設定和更改控制器所有參數;
7、供電方式可設定為一路優先,二路優先或無優先;
8、具有自啟動油機功能;
9、具有RS-232C和RS-485通訊接口。
火災報警
火災自動報警系統應有自動和手動兩種觸發裝置。各種類型的火災探測器是自動觸發裝置,而在防火分區疏散通道、樓梯口等處設定的手動火災報警按鈕是手動觸發裝置,它應具有應急情況下,人工手動通報火警的功能。火災報警控制器是火災自動報警系統心臟,具有下述功能:
1、用來接受火災信號並啟動火災警報裝置。該設備也可用來指示著火部位和記錄有關信息;
2、能通過火警傳送裝置啟動火災報警信號或通過自動消防滅火控制裝置啟動自動滅火設備和消防聯動控制器;
3、自動地監視系統的正確運行和對特定故障給出聲、光報警。
火災報警控制器種類繁多,根據不同的方法可分成不同的類別:
1、按控制範圍可分為:a、區域火災報警控制器:直接連線火災探測器,處理各種報警信息。b、集中火災報警控制器:它一般不與火災探測器相連,而與區域火災報警控制器相連,處理區域級火災報警控制器送來的報警信號,常使用在較大型系統中。c、控制中心火災報警控制器:它兼有區域,集中兩級或火災報警控制器的特點,即可以作區域級使用,連線控制器;又可以作集中級使用,連線區域火災報警控制器。
2、按結構型式可分為:
1)壁掛式火災報警控制器:連線的探測器迴路相應少些,控制功能簡單,區域報警控制器多才用這種型式;
2)台式火災報警控制器:連線探測器迴路數較多,聯動控制較複雜,集中式報警器常採用這種方式;
不同種類的控制器3、按系統布線方式分為:
1)多線制火災報警控制器:探測器與控制器的連線採用一一對應方式;
2)匯流排制火災報警控制器:控制器與探測器採用匯流排方式連線,探測器並聯或串聯在匯流排上。
火災報警控制器的功能:
1、火災報警:當收到探測器、手動報警開關、消火栓開關及輸入模組所配接的設備所發來的火警信號時,均可在報警器中報警;
2、故障報警:系統運行時控制器分時巡檢,若有異常(設備故障)發出聲、光報警信號,並顯示故障類型及編碼等;
3、火警優先:在故障報警或已處理火警時,若發生火警則報火警,而當火警清除後又自動報原有的故障。
pid
所謂PID控制,就是在一個閉環控制系統中,使被控物理量能夠迅速而準確地無限接近於控制目標的一種手段。PID控制功能是變頻器套用技術的重要領域之一,也是變頻器發揮其卓越效能的重要技術手段。變頻調速產品的設計、運行、維護人員應該充分熟悉並掌握PID控制的基本理論。
工業自動化水平已成為衡量各行各業現代化水平的一個重要標誌。同時,控制理論的發展也經歷了古典控制理論、現代控制理論和智慧型控制理論三個階段。智慧型控制的典型實例是模糊全自動洗衣機等。自動控制系統可分為開環控制系統和閉環控制系統。一個控制系統包括控制器﹑感測器﹑變送器﹑執行機構﹑輸入輸出接口。控制器的輸出經過輸出接口﹑執行機構,加到被控系統上;控制系統的被控量,經過感測器﹐變送器﹐通過輸入接口送到控制器。不同的控制系統﹐其感測器﹑變送器﹑執行機構是不一樣的。比如壓力控制系統要採用壓力感測器。電加熱控制系統的感測器是溫度感測器。PID控制及其控制器或智慧型PID控制器(儀表)已經很多,產品已在工程實際中得到了廣泛的套用,有各種各樣的PID控制器產品,各大公司均開發了具有PID參數自整定功能的智慧型調節器(intelligentregulator),其中PID控制器參數的自動調整是通過智慧型化調整或自校正、自適應算法來實現。有利用PID控制實現的壓力、溫度、流量、液位控制器,能實現PID控制功能的可程式控制器(PLC),還有可實現PID控制的PC系統等等。可程式控制器(PLC)是利用其閉環控制模組來實現PID控制,而可程式控制器可以直接與ControlNet相連,還有可以實現PID控制功能的控制器。
運動
運動控制器是運動控制系統的核心部件。國內的運動控制器大致可以分為3類:第1類是以單片機等微處理器作為控制核心的運動控制器。這類運動控制器速度較慢、精度不高、成本相對較低,只能在一些低速運行和對軌跡要求不高的輪廓運動控制場合套用。
第2類是以專用晶片(ASIC)作為核心處理器的運動控制器,這類運動控制器結構比較簡單,大多只能輸出脈衝信號,工作於開環控制方式。由於這類控制器不能提供連續插補功能,也沒有前饋功能,特別是對於大量的小線段連續運動的場合不能使用這類控制器。
第3類是基於PC匯流排的以DSP或FPGA作為核心處理器的開放式運動控制器。這類開放式運動控制器以DSP晶片作為運動控制器的核心處理器,以PC機作為信息處理平台,運動控制器以外掛程式形式嵌入PC機,即“PC+運動控制器”的模式。這樣的運動控制器具有信息處理能力強,開放程度高,運動軌跡控制準確,通用性好的特點。但是這種方式存在以下缺點:運動控制卡需要插入計算機主機板的PCI或者ISA插槽,因此每個具體套用都必須配置一台PC機作為上位機。這無疑對設備的體積、成本和運行環境都有一定的限制,難以獨立運行和小型化。
微型
微控制器(MicroController)又可簡稱MCU或μC,也有人稱為單晶片微控制器(SingleChipMicrocontroller),將ROM、RAM、CPU、I/O集合在同一個晶片中,為不同的套用場合做不同組合控制。微控制器在經過這幾年不斷地研究、發展,歷經4位、8位,到如今的16位及32位,甚至64位。產品的成熟度,以及投入廠商之多、套用範圍之廣,真可謂之空前。在國外大廠因開發較早、產品線廣,所以技術領先,而本土廠商則以多功能為產品導向取勝。
