科技名詞定義
中文名稱:剩餘電流動作繼電器
英文名稱:residual current operated relay
定義:在規定的條件下,當剩餘電流達到一個規定值時發出動作指令的電器。
套用學科:電力(一級學科);電氣安全與電力可靠性(二級學科)
作用
剩餘電流動作繼電器可與低壓斷路器或低壓接觸器等組裝成組合式的剩餘電流動作保護器,主要適用於交流50HZ,額定電壓為400V及以下的TT和TN系統配電線路,用來對電氣線路進行接地故障保護,防止接地故障電流引起的設備和電氣火災事故,也可用來對人身觸電危險提供間接接觸保護。符合國標GB/T22387-2008的要求。
適用環境
1.周圍環境溫度
最高溫度不大於40℃;
平均溫度不大於35℃(24h內平均值);
最低溫度不小於-5℃或-25℃;
2. 周圍環境空氣相對濕度
最高溫度為40℃時,濕度不大於50%;
最濕月份的月平均最低溫度不大於25℃時,濕度不大於90%。
3. 海拔高度不超過2000m。
4. 安裝場所應無腐蝕性氣體、無爆炸危險,並注意防潮、防塵、防震和避免日曬。
5. 安裝位置應避免強電流導線和電磁器件以避免電磁干擾。
技術參數
| 技術參數 | 指 標 | ||||||
| 1 路 | 4 路 | ||||||
| AC 型 | A 型 | AC 型 | A 型 | ||||
| 輸 入 | 額定剩餘動作電流 I △n | 0.03 、 0.1 、 0.3 、 0.5 ( A ) | 0.03 、 0.05 、 0.1 、 0.3 、 0.5 、 1 、 3 、 5 、 10 、 30 ( A ) | 0.03 、 0.1 、 0.3 、 0.5 ( A ) | 0.03 、 0.05 、 0.1 、 0.3 、 0.5 、 1 、 3 、 5 、 10 、 30 ( A ) | ||
| 極限不驅動動作時間 △t | 0.1 、 05 ( S ) | 0 、 0.06 、 0.1 、 0.2 、 0.3 、 0.5 、 0.8 、 1 、 4 、 10 ( S ) | 0.1 、 05 ( S ) | 0 、 0.06 、 0.1 、 0.2 、 0.3 、 0.5 、 0.8 、 1 、 4 、 10 ( S ) | |||
| 額定剩餘不動作電流 I △no | 50% I △n | ||||||
| 動作特性 | AC 正弦交流電流 | AC 正弦交流及脈動直流電流 | AC 正弦交流電流 | AC 正弦交流及脈動直流電流 | |||
| 頻率 | 50H Z ± 5H Z | 50/60HZ 可程式 | |||||
| 動作誤差 | -20%~-10% I △n | ||||||
| 輸 出 | 接點構成 | 一組常閉、一組轉換 | 一組常閉或常開、 一組轉換 | 四路常開 / 常閉可程式 | |||
| 接點容量 | 5A 250VAC 、 5A 30VDC | ||||||
| 復位方式 | 就地、遠程 | 就地、遠程、自動 | 就地、遠程 | 就地、遠程、自動 | |||
| 電 源 | 輔助電源 | AC110V、AC220V(允許誤差±10%) | |||||
| 功耗 | ≤5W | ||||||
| 工頻耐壓 | 電源//輸入//輸出之間交流有效值2kV/min | ||||||
| 環 境 | 溫度 | 運行溫度:-20℃~+55℃,存儲溫度:-30℃~+70℃ | |||||
| 濕度 | ≤95%RH,不結露,無腐蝕性氣體場所 | ||||||
| 海拔 | ≤2000m | ||||||
安裝接線
剩餘電流動作繼電器屬於低壓電器的一種,其使用條件及安裝要求應符合低壓電器的常規使用條件和安裝要求,安裝接線必須正確無誤。另外分離式剩餘電流繼電器在與低壓斷路器或交流接觸器配合時,不僅應注意主線路的接線,還應注意輔助電路的接線。只有這樣才能保證安裝和運行的正常運行,使剩餘電流繼電器在低壓配電線路和用電設備發生接地故障時起到對人體電擊和接地故障火災的間接防護作用。
1 根據低壓系統接地型式確定接線方式
剩餘電流繼電器在安裝接線之前,首先應查清低壓系統接地形式,我國低壓系統接地形式有TT、TN、IT系統。由於IT系統自形成一個封閉系統,在特殊情況下採用,且安全性能高,一般不採用剩餘電流繼電器。
1.1 在TT系統中的接線要求
在TT系統中,無論是220V電源供電的電氣設備,接用二極二線式剩餘電流繼電器,還是三相設備與單相設備共用的三相四線式380V電源供電的電氣設備,接用三極四線式或四極四線式剩餘電流保護裝置,其中相線必須穿過剩餘電流繼電器。
1.2在TN-S系統中的接線要求
在TN-S系統中,必須滿足上述1.1在TT系統中的接線要求外,還必須滿足保護(PE)線不能通過剩餘電流繼電器。
1.3 在TN-C-S系統中的接線要求
TN-C-S系統由TN-C系統改造而來。只有將TN-C系統改造為TN-C-S系統、TN-S系統或局部TT系統。才允許安裝剩餘電流繼電器。
TN-C-S系統接線必須滿足上述1.1、1.2中對N線和PE線的要求。
在TN-C-S系統中,剩餘電流繼電器只允許使用在N線與PE線分開部分。通過剩餘電流繼電器的N線,不得作為PE線,不得重複接地。
剩餘電流繼電器負荷側的N線,只能作為中性線,不得與其他迴路共用。
TN-C系統的配電線路因運行需要,在N線必須有重複接地時,不應將剩餘電流繼電器作為線路電源端保護。
2 根據電氣設備的供電確定接線方式
單相220 V電源供電的電氣設備,接線時應有一根相線和一根N線穿過二極二線式剩餘電流保護裝置。
三相三線式380 V電源供電的電氣設備,接線時應有三根相線穿過三極三線式剩餘電流保護裝置。
三相四線式380 V電源供電的電氣設備,在三相設備與單相設備共用的電路接線時,應有三根相線和一根N線穿過三極四線式或四極四線式剩餘電流保護裝置。
三極四線式或四極四線式剩餘電流保護裝置,分為中性極不能斷開和能斷開兩種,接線時要和供電方式相配合。
套用實例
1、產品選型
(以ASJ產品為例)
| 型 號 | 基本功能 | 可選功能 | 產品外形 | ||
| 1路 | AC型 | ASJ10-LD1C | 1路AC型剩餘電流測量;電流越限報警指標;四種額定動作電流可設定;兩種報警延時可設定;互感器斷線報警指示;兩組繼電器輸出(一組常開,一組轉換);具有就地,遠程測試、手動復位功能。 | / | 導軌安裝 |
| A型 | ASJ10-LD1A | 1路A型剩餘電流測量;30%、50%、70%TRIP棒狀LED指示;十種額定動作電流可設定;十種報警延時可設定;互感器斷線報警指示;兩組繼電器輸出(一組常開,一組轉換均可設定)*;具有就地,遠程測試、手動、自動復位功能。 | |||
| ASJ10L-LD1A | 1路A型剩餘電流測量;電流越限報警背景燈指示,聲報警;每路皆有10種動作電流可設定;10種報警延時可設定;2組繼電器輸出(一組常開,一組轉換);具有就地,遠程測試、手動復位功能;RS485通訊;帶10條事件記錄。 | RS485 | |||
| 4路 | AC型 | ASJ10L-LD4C | 4路AC型剩餘電流測量;電流越限報警背景燈指示,聲光報警;每路皆有4種動作電流可設定;2種報警延時可設定;4組繼電器輸出(每組常開/常閉可程式設定);具有就地,遠程測試、手動復位功能;帶40條事件記錄。 | RS485 | |
| A型 | ASJ10L-LD4A | 4路A型剩餘電流測量;電流越限報警背景燈指示,聲光報警;每路皆有10種動作電流可設定;10種報警延時可設定;4組繼電器輸出(每組常開/常閉可程式設定);具有就地,遠程測試、手動復位功能;帶40條事件記錄。 | |||
| 1路 | AC型 | ASJ20-LD1C | 1路AC型剩餘電流測量;電流越限報警指標;四種額定動作電流可設定;兩種報警延時可設定;互感器斷線報警指示;兩組繼電器輸出(一組常開,一組轉換);具有就地,遠程測試、手動復位功能。 | / | 48方形 |
| A型 | ASJ20-LD1A | 1路A型剩餘電流測量;30%、50%、70%TRIP棒狀LED指示;十種額定動作電流可設定;十種報警延時可設定;互感器斷線報警指示;兩組繼電器輸出(一組常開,一組轉換均可設定)*;具有就地,遠程測試、手動、自動復位功能。 | |||
註:繼電器可設定功能表示,客戶可通過面板上的撥碼開關自行設定繼電器上電初始化狀態,常開或常閉,具體設定方法請參照使用指南相關章節。
2、產品安裝接線
TT系統①TT系統推薦採用ASJ。因為當發生單相接地故障時,故障電流很小,且較難估計,達不到開關的動作電流,外殼上將出現危險電壓。
TN-S系統②TN-S系統
可採用ASJ。更快速靈敏切斷故障,以提高安全可靠性,此時PE線不得穿過互感器,N線必須穿互感器,且不得重複接地。
TN-C系統③TN-C系統
不能採用ASJ。因為PE線和N線合一,若PEN線不重複接觸,當外殼帶電,互感器進出電流相等,ASJ拒動;若PEN線重複接地,部分單相電流將流入重複接地,達一定值後,ASJ誤動。
TN-C-S系統④TN-C-S系統 F點前為TN-C系統,不能採用ASJ;F點後為TN-S系統,可採用ASJ,但PE線不得穿過互感器。
IT系統⑤IT系統按規定採用ASJ。為防止系統絕緣降低和作為二次故障後備保護,依據接線型式,採用類似TT或TN系統的保護措施。首先應採用絕緣監視裝置,預測一次故障。
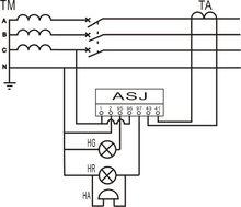
圖13、 產品與交流接觸器組合時的電路圖1中輔助控制電路配線,均應從被保護線路設備的交流接觸器主觸頭前端電源側引至接線端子。如果錯誤地把輔助控制電路的配線接於主觸點下端,將無法實現自動重合閘。從圖1中不難看出,ASJ執行終端出口繼電器觸點接線端子95、96、97是一對常閉、常開觸點的直接輸出。可根據不同規格不同電壓等級的低壓斷路器或交流接觸器來選擇配線。
圖24、產品作為剩餘電流報警器時,接線圖如圖2所示作為漏電報警器時,主要適用於連續生產而不能停電的現代化大型企業,及一些不允許停電的自動化流水線設備上,報警設備一般應有燈光顯示或電鈴、蜂鳴器或二者兼備。圖2中綠燈HG作正常運行指示,紅燈HR作漏電報警指示,併兼有蜂鳴器HA。
附屬檔案
(剩餘電流互感器)
科技名詞定義
中文名稱:剩餘電流互感器
英文名稱:residual current transformer
定義:用作變換剩餘電流的一個或三個連線成一組的電流互感器。
套用科學:機械工程(一級學科);電測量儀器儀表(二級學科);儀用互感器(三級學科)
套用領域
智慧型剩餘電流動作繼電器
智慧型剩餘電流動作繼電器剩餘電流互感器保護動作整定電流可以從mA級到A級,有相當高的動作靈敏性,因此剩餘電流保護裝置對於TT、IT、TN-S TN-C-S系統接地系統均可適用。安裝時A、B、C三相導線與N線一起穿過一個剩餘CT。
套用方案
1)該裝置主要套用於系統保護,作為直接電擊、間接電擊、電器火災以及分級保護的防護。在直接電擊防護中只作為補充防護,此時額定剩餘動作電流不超過30mAoS。
2)下列設備和場所必須安裝保護裝置:移動式電器設備及手持式電動工具、生產用的電器設備、施工工地的電氣機械設備、安裝在戶外的電器裝置等(詳見GB13955)。
3)額定剩餘動作電流應充分考慮系統正常泄漏電流值。一般不小於正常實測泄漏電流最大值2-4倍:分支線4倍;支線2.5倍;幹線2倍。根據經驗公式:
單相迴路:I△n≥In/2000(照明)
三相迴路:I△n≥In/1000(動力或動力照明混合)式中In為線路最大供電電流。4)為了保證分級保護動作的選擇性,上下級間的電流和時間配合應符合下列規定:
I△n1(上級)≥I△n2(下級)
tF(上級ASJ返回時間)>tFa(下級ASJ分斷時間),時間差不小於0.2S。
一般分支線和末端:30~100mA、≤0.1S;支線:300~500mA、0.2~0.8S;幹線:500~1000mA、≤2S。

